
關鍵詞:
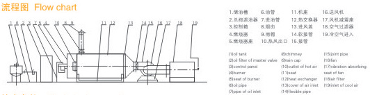
產品概述:燃料通過燃燒器燃燒,產生高溫燃氣。并借助具有強化換熱措施的熱風爐將高溫燃氣的熱量傳導給被加熱的空氣,高溫燃氣經熱量散發后溫度降低至250℃后排到大氣中。需加熱的空氣通過選配的鼓風機強送入熱風爐,吸熱后溫度升至額定值從熱風出口處送出,當熱風溫度達到額定溫度上限時,燃燒器會自動停止燃燒或自動轉為小火焰燃燒,當熱風溫度降低到額定下限溫度時,燃燒器又會重新點燃運行或轉為大火燃燒,升溫的速度可以調節進風閥的開度來實現。
相關介紹
簡述:燃料通過燃燒器燃燒,產生高溫燃氣。并借助具有強化換熱措施的熱風爐
類別:熱源設備系列
原理:
燃料通過燃燒器燃燒,產生高溫燃氣。并借助具有強化換熱措施的熱風爐將高溫燃氣的熱量傳導給被加熱的空氣,高溫燃氣經熱量散發后溫度降低至250℃后排到大氣中。需加熱的空氣通過選配的鼓風機強送入熱風爐,吸熱后溫度升至額定值從熱風出口處送出,當熱風溫度達到額定溫度上限時,燃燒器會自動停止燃燒或自動轉為小火焰燃燒,當熱風溫度降低到額定下限溫度時,燃燒器又會重新點燃運行或轉為大火燃燒,升溫的速度可以調節進風閥的開度來實現。
特點:
廣泛應用于制藥、化工、食品、紡織印染、糧食加工、木材加工、汽車等工業領域各種產品的干燥、固化、熱定型等作業。
技術參數:
|
型號/參數 |
輸出熱量(KJ/h) |
輸出風量(m3/h) |
輸出溫度(℃) |
耗油量(kg/h) |
燃燒器型號 |
|
RLY-2.5 |
1.045×105 |
1500-560 |
60-200 |
4-5 |
M4 |
|
RLY-4 |
1.672×105 |
3500-930 |
60-200 |
6-7 |
M8 |
|
RLY-8 |
3.344×105 |
5600-1480 |
60-200 |
11.5-13.5 |
M12 |
|
RLY-15 |
6.270×105 |
12000-2160 |
60-250 |
21.5-25 |
M20 |
|
RLY-30 |
12.54×105 |
25000-4330 |
60-250 |
43-50 |
MP3B |
|
RLY-40 |
16.72×105 |
28000-5600 |
60-250 |
57-67 |
MP4B |
|
RLY-60 |
25.08×105 |
45000-8660 |
60-250 |
86-100 |
MP80AB |
|
RLYL-80 |
33.44×105 |
83000-12500 |
60-350 |
114-135 |
MP130AB |
|
RLY-160 |
66.88×105 |
134400-23000 |
60-350 |
228-270 |
MP200AB |
|
RLY-200 |
83.60×105 |
170000-28000 |
60-350 |
286-334 |
MP300AB |